托盤翻轉機
產品介紹
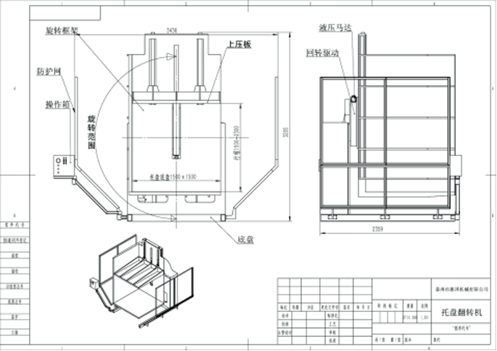
托盤翻轉機也叫托盤逆變器,托盤更換機,主要用于托盤上貨物旋轉90度后托盤在貨下變成在貨上面,用于抽取或更換托盤,便于叉車裝卸貨物。
托盤翻轉機設計新穎獨特,引進德國先進技術制造,升降及旋轉平穩,十分便捷,大大提高工作效率.
托盤更換翻轉機液壓馬達HZBMR250,旋轉平穩,性能穩定,噪聲低.
HZ5KW提升泵站1400r/min,排量10.0mL/r,強勁有力,便于長時間工作.
采用優質多路閥HZ7060DL-3,翻轉平穩,安全性高.可據不同國家要求選配適合各國家的電源插孔.
主要用于水泥,粒子,塑膜,食品罐頭,化工,醫藥等行業整托盤貨物的翻轉更換托盤.
A pallet inverter or pallet turner is a machine that is used to turn over pallets whilst still loaded with products
With Unique design, the introduction of Germany advanced technology manufacturing, Lifting and rotating smoothly, very convenient, greatly improve the work efficiency
Use hydraulic motor HZBMR250,rotating smoothly, performance stable and low noise
HZ5KW Lifting pump station 1400r/min, displacement 10.0mL/r, strong,easy to work long hours.
Use High quality multiport valve HZ7060DL-3, flipping smoothly, safety highly. Can match any power according to different countries’requirements
Mainly used for cement, particle, plastic film, canned food, chemical industry, medicine…
產品參數
產品圖片
1.客戶收到的產品與訂貨產品型號不符。
3.產品存在不能正常使用和無法修復的缺陷。
4.在交貨的運輸過程中造成產品缺損,無法修復。
售后說明
1.整車保修一年
2.整車鋼結構焊接斷焊或斷裂一年內正常保修(超載導致變形,變形不保修)
3.24小時到48小時內到達或解決
4.提供操作視頻講解更換配件
5.終身提供配件
鄭重承諾
不好使用包退換!
采購:托盤翻轉機
- *聯系人:
- *手機:
- 公司名稱:
- 郵箱:
- *采購意向:
-
*驗證碼:
跟此產品相關的產品 / Related Products

- 半電動搬運車
- 高性價比、經濟節能、綠色環保; 結構精致、設計精湛,外形簡約; 體積小巧,轉向輕便,輕松操作; 充分滿足大多數客戶的載重使用需求; 部件組裝模塊化,便于維護; 高強度車身和貨叉,堅固耐用,超長壽命設計

- 火車輪專用全電動搬運車
- 全電動火車輪搬運車,專用于火車輪拆裝移位的作業。 車體設計的專用保護夾具,在拆卸時良好地保護著火車輪不受擠壓,碰撞。 具有操作舒適、穩定性高、操作簡便、噪音低、無污染、故障率低等特點。 是火車站內高效,安全,環保型理想搬運設備。 步行式操作,無級變速行駛,大大提高工作效率。

- 8T重型電動搬運車
- 符合歐洲EN1757-1:2001,EN1727 標準; 大容量的牽引電池,充電方便快捷,電量持久; 可選配折疊式踏板,開閉操作方便; 臺灣極智泵站,體積小,可靠性高,工作平穩,節能,降噪,環保; 美國進口的科蒂斯(Curtis)交流電控系統反應靈敏,操控自如,可靠性高; 加裝安全防爆閥,液壓軟管一旦失效情況下貨物不會快速下落,確保操作人員人身安全。





